Top.Mail.Ru

Лебёдка автомобильная электрическая ComeUp с тяговым усилением 16500 фунтов (7485 кг) с доставкой по всей России

Лебедка автомобильная электрическая для эвакуаторов COMEUP Seal Gen2 16.5 (24В)

  • Описание
  • Характеристики
  • Лебедка электрическая (24В) со стальным тросом. Максимальное тяговое усилие 7 484 кг. Длина троса 27,5 м.


    Особенности:


    Лебедка оснащена герметичным мотором с высоким крутящим моментом и большой линейной скоростью.

    Надежный и долговечный 3-х ступенчатый планетарный редуктор.

    Мощный, запатентованный в США, Германии, Великобритании и Франции, конический тормоз, с легкостью удерживает полную нагрузку и прост в обслуживании. 

    Алюминиевый корпус лебедки способен выдержать 2-х кратную максимальную нагрузку.

    Т-образная эргономичная рукоять для свободного разматывания троса (T-ручка перемещенная лишь легким поднятием-и-поворотом освобождает вращающуюся кольцевую шестерню для быстрого разматывания  троса. Корпус редуктора вместе с ручкой можно повернуть на 90 градусов в любую сторону, что дает возможность использовать бамперы различных конструкций.)

    Лебедка оснащена температурным датчиком и светодиодным индикатором перегрева.

    Влагозащищенный пульт дистанционного управления с индикаторами перегрева и кабелем длиной 5м.

    Идеальный выбор для установки на тяжелый внедорожник.

    Герметичное исполнение IP68 — полная водо- и пыле-непроницаемость. Лебедка может работать в погружённом состоянии на глубине свыше 1м.

     

    Характеристики:


    Артикул: 295628 (24В)

    Тяговое усилие: 7 484 кг

    Мотор 12В: 4 474 Вт / 6 л.с.

    Редуктор:  3-х ступенчатый планетарный

    Передаточное число:  343 : 1

    Тормоз (снаружи барабана):  автоматический,  конический CBS.

    Трос (мм x м): 11.1 × 27.4  

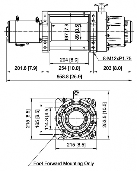
    Монтажный шаблон (мм x мм):  254 x 114.3, 254 x 165

    • Производитель: 771
    • Напряжение: 736
    • Назначение лебедки: 1260
    • Тяговое усилие фунты (кг): 1270
    • Пульт управления: 1323
    • Материал троса: 1346
    Доставка
    Самовывоз
    по согласованию
    Доставка по Москве в пределах МКАД
    700 р
    Доставка за пределы МКАД и в Подмосковье
    700 р. + 50 руб./км
    (от МКАД)
    Доставка осуществляется в пределах Московского Малого Кольца ("бетонка"- 30-35 км от МКАД, дальние заказы - по согласованию с менеджером)
    Доставка в города России осуществляется транспортными компаниями в зависимости от Региона на основании действующих тарифов.
    Подробнее
    Оплата
    • Безналичная форма оплаты (выставление счета юридическому или физическому лицу)
    • Оплата наличными в магазине или курьеру.
    • Оплата на банковскую карту.
    • Оплата через сайт.
    Сравнение
    0
    Избранное
    0
    Корзина
    0