Top.Mail.Ru

Лебедка автомобильная ComeUp с тяговым усилением 9500 фунтов (4310 кг) с доставкой по всей России

Лебедка автомобильная электрическая COMEUP Seal Gen2 9.5s 12V (EAC)
  • Описание
  • Характеристики
  • Лебедка электрическая (12В) с синтетическим тросом. Максимальное тяговое усилие 4 309 кг. Длина троса 30,5 м.

    Особенности:

    Лебедка c максимальным тяговым усилием в 4,3 тонны оснащена герметичным мотором с высоким крутящим моментом и защитой от перегрева.
    Надежный и долговечный 3-х ступенчатый планетарный редуктор.
    Мощный, запатентованный в США, Германии, Великобритании и Франции, конический тормоз, с легкостью удерживает полную нагрузку и прост в обслуживании. 
    Алюминиевый корпус лебедки способен выдержать 2-х кратную максимальную нагрузку.
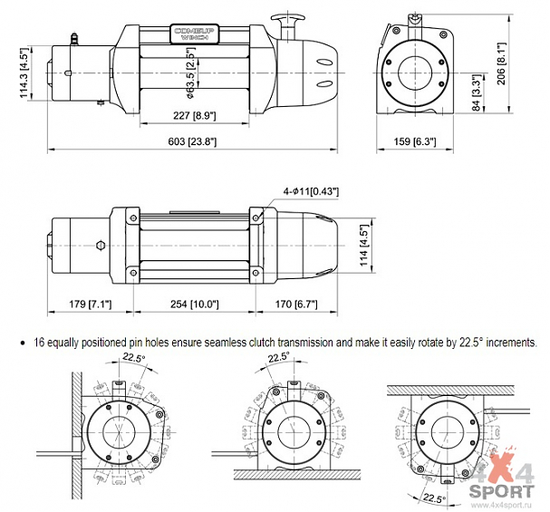
    Т-образная эргономичная рукоять для свободного разматывания троса (T-ручка перемещенная лишь легким поднятием и поворотом освобождает вращающуюся кольцевую шестерню для быстрого разматывания  троса. Корпус редуктора с ручкой можно повернуть на 22.5 градуса в любую сторону (16 положений), что дает возможность использовать бамперы различных конструкций.)
    Лебедка оснащена температурным датчиком и светодиодным индикатором перегрева.
    В комплект лебедки входит 10мм синтетический трос SK-75 из волокон Dyneema с крюком и алюминиевым клюзом.
    Влагозащищенный пульт дистанционного управления с индикаторами перегрева и кабелем длиной 5м.
    Герметичное исполнение IP68 — полная водо- и пыле-непроницаемость. Лебедка может работать в погружённом состоянии на глубине свыше 1м.
    ЕАС - Лебедка сертифицирована по правилам Таможенного союза 

    Характеристики:

    Артикул: 295991 (12В)
    Тяговое усилие: 4 309 кг
    Мотор 12В: 3 730 Вт / 5 л.с.
    Редуктор:  3-х ступенчатый планетарный
    Передаточное число:  159 : 1
    Тормоз (снаружи барабана):  автоматический,  конический CBS.
    Трос (мм x м): 10 × 30,5 
    Тип троса: синтетический 12-ти прядный SK-75 Dyneema
    Размер барабана (мм x мм): 63.5 x 227 х 273
    Монтажный шаблон (мм x мм):  254 x 114

    Комплектация:

    Съемный блок управления
    Дистанционный пульт управления с кабелем 5 м
    Синтетический трос с крюком
    Клюз
    2 кабеля подключения к АКБ 1.8м
    Ремень
    • Производитель: 771
    • Напряжение: 734
    • Назначение лебедки: 1259
    • Тяговое усилие фунты (кг): 1265
    • Пульт управления: 1323
    • Материал троса: 1347
    Доставка
    Самовывоз
    по согласованию
    Доставка по Москве в пределах МКАД
    700 р
    Доставка за пределы МКАД и в Подмосковье
    700 р. + 50 руб./км
    (от МКАД)
    Доставка осуществляется в пределах Московского Малого Кольца ("бетонка"- 30-35 км от МКАД, дальние заказы - по согласованию с менеджером)
    Доставка в города России осуществляется транспортными компаниями в зависимости от Региона на основании действующих тарифов.
    Подробнее
    Оплата
    • Безналичная форма оплаты (выставление счета юридическому или физическому лицу)
    • Оплата наличными в магазине или курьеру.
    • Оплата на банковскую карту.
    • Оплата через сайт.
    Сравнение
    0
    Избранное
    0
    Корзина
    0