Top.Mail.Ru

Лебедка индустриальная WARN с тяговым усилением 18000 фунтов (8165 кг) с доставкой по всей России

Лебедка гидравлическая индустриальная WARN Series 18


  • Описание
  • Характеристики
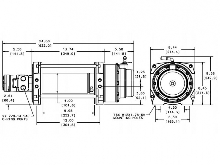
  • Расчетное тяговое усилие: 18000 фунтов (8165 кг)

    Диаметр катушки барабана: 4.0 in (102 мм)

    Диаметр барабана по фланцам: 8.24 in (209 мм)

    Расстояние между фланцами: 9.95 in (253 мм)

    Максимальный диаметр троса: 1/2 in (12.7 мм)

    Минимальная прочность на разрыв троса: 26600 фунтов (12066 кг)

    Вес поставки: 82.0 фунтов (37.2 кг)

    Рабочий цикл(с перерывами по SAE J706 пункт 6.2): 565 футов (172 m)

    Момент затяжки установочного болта: 35-40 фт*lbf (47-54 N*m)

    Максимальное число слоев троса: 3 (with 1/2" диаметр троса)

    Понижающая передача: 36:1

    Тип Тормоза:  Дисковый

    Контактор / Тип управления: Н/Д

    Соответствие стандартам: 

    SAE J706

    CE Machinery Directive 98/37/EC and 006/42/EC

    Аксессуары

    Площадка натяжения троса 10'': PN 31149

    Направляющая черная 10'': PN 24336

    Направляющая хром 10": PN 30859

    Дистанционное сцепление механическое: PN 38316

    Дистанционное сцепление гидравлическое: PN 71370

    трос Assembly 1/2''x75' EIPS: PN 77534

    • Производитель: 756
    • Напряжение: 737
    • Назначение лебедки: 1260
    • Тяговое усилие фунты (кг): 1271
    • Пульт управления: 1325
    • Материал троса: 1348
    Доставка
    Самовывоз
    по согласованию
    Доставка по Москве в пределах МКАД
    700 р
    Доставка за пределы МКАД и в Подмосковье
    700 р. + 50 руб./км
    (от МКАД)
    Доставка осуществляется в пределах Московского Малого Кольца ("бетонка"- 30-35 км от МКАД, дальние заказы - по согласованию с менеджером)
    Доставка в города России осуществляется транспортными компаниями в зависимости от Региона на основании действующих тарифов.
    Подробнее
    Оплата
    • Безналичная форма оплаты (выставление счета юридическому или физическому лицу)
    • Оплата наличными в магазине или курьеру.
    • Оплата на банковскую карту.
    • Оплата через сайт.
    Сравнение
    0
    Избранное
    0
    Корзина
    0